Unveiling The Secrets Of Passive Crossover For Middle Frequencies

Z.Adwise 53 views
Unveiling The Secrets Of Passive Crossover For Middle Frequencies

Unveiling the Secrets of Passive Crossover for Middle Frequencies

Hey audio enthusiasts! Ever wondered how your speakers magically separate those beautiful middle frequencies, giving your music that rich, full sound? Well, the unsung hero behind this sonic sorcery is the passive crossover , specifically the one dedicated to the midrange ! This article dives deep into the world of passive crossovers, with a special focus on how they work their magic with midrange speakers. We’ll break down the technical jargon, explore design considerations, and help you understand why these little circuits are so crucial for a stellar audio experience. Buckle up, because we’re about to embark on a journey into the heart of your speaker’s performance! You’ll learn the ins and outs of passive crossovers, particularly the ones that handle the all-important midrange frequencies. We will unravel the complexities, demystify the components, and equip you with the knowledge to appreciate (or even tweak!) these essential components.

What is a Passive Crossover and Why Does it Matter?

Alright, let’s get down to basics. A passive crossover is an electronic circuit that sits between your amplifier and your speakers. Its primary job? To split the full audio signal into different frequency bands, sending the appropriate frequencies to the correct drivers. Think of it like a traffic controller for sound waves. For instance, it ensures that low frequencies (bass) go to your woofers, high frequencies (treble) go to your tweeters, and, you guessed it, the middle frequencies are directed to the midrange speaker . This frequency separation is super important. Without it, you’d get a muddy, indistinct sound, with all the frequencies jumbled together. Imagine trying to understand a conversation where everyone is shouting at the same time – not ideal, right? That’s what your music would sound like without a crossover! The crossover network is critical because speakers (drivers) are generally designed to efficiently reproduce only a limited range of frequencies. Trying to force a woofer to play high frequencies, for example, will result in distortion and poor sound quality, and potentially damage the speaker. The passive crossover is a network of passive components, such as capacitors, inductors, and resistors, which are wired together in specific configurations to create filters. These filters selectively allow certain frequencies to pass through while attenuating others. The design of a crossover network is a balancing act. It is designed to ensure a smooth transition between the different drivers and to minimize any unwanted peaks or dips in the frequency response. This is why a well-designed crossover is so important for great sound! The crossover ensures that each speaker handles the frequencies it’s best suited for, resulting in a cleaner, more accurate, and more enjoyable listening experience. So, the next time you crank up your favorite tunes, remember the hard-working passive crossover, tirelessly sorting out those frequencies and delivering the music to your ears in all its glory!

Components of a Passive Crossover for Midrange Speakers

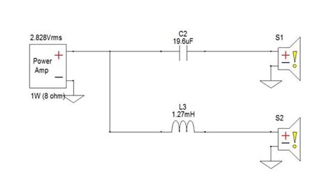
Now, let’s peek inside the black box and see what makes a passive crossover tick, specifically for the midrange driver. The core components are remarkably simple, but their strategic arrangement is what makes the magic happen. The most common components you’ll find in a crossover network designed for a midrange include capacitors, inductors (also known as coils), and sometimes resistors. These components work together to filter out unwanted frequencies and let the desired frequencies through. Let’s break them down:

  • Capacitors: These components block low frequencies and allow high frequencies to pass through. In a midrange crossover , a capacitor is often used in series with the midrange driver. This setup acts as a high-pass filter, preventing low frequencies from reaching the speaker and potentially damaging it. The value of the capacitor (measured in farads) determines the crossover frequency . A larger capacitor will allow lower frequencies to pass through, while a smaller capacitor will block them. Choosing the right capacitor value is crucial for achieving the desired sound balance. Capacitors can also be used in more complex crossover designs to shape the frequency response and smooth out transitions between drivers.
  • Inductors (Coils): Inductors do the opposite of capacitors. They block high frequencies and allow low frequencies to pass. In a midrange crossover , an inductor might be used in parallel with the midrange driver or as part of a more complex filter. The value of the inductor (measured in henries) also affects the crossover frequency . Inductors, like capacitors, can be utilized in complex filter topologies to tailor the performance. Inductors can also be incorporated into impedance compensation circuits, which helps to maintain a consistent load on the amplifier across the frequency spectrum.
  • Resistors: Resistors are used to control the signal level and can be used to attenuate specific frequencies or to adjust the overall balance of the system. Resistors are often used in crossover circuits to help balance the output levels of different drivers. For example, if the tweeter is too loud, a resistor can be placed in series with it to reduce its output. Resistors are also used in L-pad circuits, which allow you to adjust the level of a driver without affecting the crossover frequency .

These components are carefully chosen and arranged to create a filter that smoothly transitions between the frequencies handled by the woofer, midrange , and tweeter. The way these components interact determines the crossover frequency and the slope of the filter, which directly affects the sound quality of your speakers. The design is a balance that must consider each speaker’s characteristics, listening environment and your personal preferences.

Crossover Frequency and Slope: The Key Parameters

Alright, let’s talk about the key parameters that define how a passive crossover operates: crossover frequency and slope . These are the crucial elements that determine where the frequency bands are split and how steeply the sound transitions between them.

  • Crossover Frequency: This is the specific frequency at which the crossover network begins to attenuate the signal to a particular driver. For instance, if the crossover frequency between your woofer and midrange is set at 500 Hz, the crossover will start reducing the signal sent to the woofer above 500 Hz, and the midrange will start receiving more of the signal above 500 Hz. The ideal crossover frequency depends on the characteristics of your speakers. The goal is to provide a smooth transition between the drivers, so you don’t hear any gaps or overlaps in the frequency response. The crossover frequency is where the work of the crossover network is primarily focused. Choosing the right crossover frequency is critical. You want to ensure the speakers are playing the frequencies for which they were designed. You also want to avoid frequency overlap and comb filtering effects.
  • Crossover Slope: This refers to how rapidly the signal is attenuated above or below the crossover frequency . The slope is usually measured in decibels per octave (dB/octave). A 6 dB/octave slope means that for every doubling of frequency above the crossover frequency , the signal to the driver is reduced by 6 dB. A 12 dB/octave slope will result in a 12 dB reduction for every doubling of frequency, and so on. Steeper slopes (like 12 dB/octave or 24 dB/octave) provide a more distinct separation between the frequency bands. They prevent the different drivers from playing the same frequencies, which can reduce distortion. The steeper slopes, however, can introduce phase shifts, which may affect the sound. Less steep slopes can sometimes provide a more natural sound, but require careful speaker selection and placement. The steepness of the slope is determined by the design of the crossover circuit. Single-component crossovers (e.g., a single capacitor) typically have a 6 dB/octave slope. More complex designs using multiple components can achieve steeper slopes. The slope and the frequency of the crossover must be balanced to achieve the best results.

Choosing the right crossover frequency and slope involves a bit of experimentation and some understanding of your speakers’ capabilities. Many speaker manufacturers provide recommendations for these parameters in their specifications. However, the best results often come from careful listening and, if you’re feeling adventurous, some adjustments to fine-tune the sound to your liking. In general, a smooth transition is what you are aiming for, with minimal overlap and a natural sound. The perfect settings depend on your speakers, your listening environment, and, ultimately, your personal preferences. The balance between frequency and slope is what gives the speaker its desired character.

Designing or Choosing a Crossover for Your Midrange

So, you’re ready to dive in and get your hands dirty, or maybe you’re simply curious about how to select the best passive crossover for your midrange ? Let’s talk about the key considerations and steps involved.

  • Speaker Specifications: The first step is to carefully review the specifications of your midrange driver. Look for information like its frequency response, impedance (usually 4 or 8 ohms), and power handling capabilities. This information is crucial for selecting the right crossover components and crossover frequency . Knowing the frequency response will give you insight into the range of frequencies the speaker is designed to handle effectively. Impedance is critical for ensuring compatibility with your amplifier. Power handling tells you how much power the speaker can safely handle. Ignoring these details could lead to damaged speakers or a poor listening experience.
  • Crossover Design Software: If you are the DIY type, you might use crossover design software to help you. These tools can simulate various crossover designs and help you determine the optimal component values. They often allow you to input the speaker’s specifications and the desired crossover frequency and slope, and then generate a schematic for the crossover circuit. Crossover design software is a great way to experiment with different designs and to see how they affect the frequency response. Many of these tools are free or available for a reasonable price, making them a great option for audio enthusiasts.
  • Pre-Built Crossovers: If you’d rather not build your own, pre-built crossovers are readily available. These are usually designed for specific speaker configurations and offer a convenient way to integrate the midrange driver into your system. When choosing a pre-built crossover, make sure its specifications (e.g., crossover frequency , slope, impedance) are compatible with your speakers. Pre-built crossovers are often designed with specific drivers in mind, so you’ll want to ensure that the ones you choose are appropriate for the speakers you’re using. Some pre-built crossovers come with adjustable settings, allowing you to fine-tune the sound to your preference.
  • Component Quality: The quality of the components used in your crossover can significantly affect the sound quality. Higher-quality capacitors, inductors, and resistors are generally more accurate and can provide a cleaner, more detailed sound. Consider using components with low tolerances, as they will more closely match the values specified in the design. It’s often worth investing a bit more in good quality components, as they can make a noticeable difference in the overall sound. Quality capacitors often have lower equivalent series resistance (ESR), which can improve clarity. Inductors may have less distortion and better linearity. Quality resistors maintain accuracy, ensuring the crossover performs as designed.
  • Listening Tests: No matter how well you design or choose a crossover , the ultimate test is how it sounds. Perform listening tests with different types of music and compare the sound with and without the crossover. If possible, try different crossover frequencies and slopes to see which configuration sounds best to your ears. Don’t be afraid to experiment! Your ears are the best guide, and the goal is to create a sound that you find enjoyable. Make sure that the sound is balanced, and that the different drivers are blending together smoothly. Listening tests can also help you identify any issues, such as peaks or dips in the frequency response, or any unwanted distortion.

Conclusion: The Magic of Passive Crossover for Midrange

There you have it, folks! We’ve journeyed through the intricate world of passive crossovers , focusing on the crucial role they play in shaping the sound of your midrange speakers. From understanding the basics of capacitors, inductors, and resistors to exploring the importance of crossover frequency and slope, we’ve uncovered the secrets behind this essential component.

Remember, a well-designed crossover network ensures that each speaker driver handles the frequencies it’s best suited for, resulting in a cleaner, more accurate, and ultimately, more enjoyable listening experience. So, the next time you’re enjoying your favorite tunes, take a moment to appreciate the unsung hero working behind the scenes – the passive crossover ! Whether you’re a seasoned audiophile or just starting to explore the world of sound, understanding how passive crossovers work can greatly enhance your appreciation for high-quality audio. If you are ever upgrading your speakers, consider understanding the crossover system that will drive the best experience. So keep learning and experimenting, and let the music play! Keep on listening and experimenting to unlock the full potential of your audio system. And who knows, maybe you’ll be inspired to build your own, taking your audio experience to the next level.